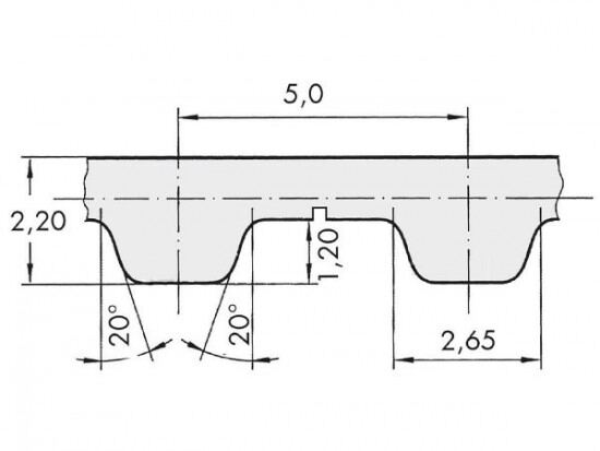
Řemen ozubený 32 T5 / 1600 AFX optibelt ALPHA FLEX

Řemen ozubený 32 T5 / 1600 AFX optibelt ALPHA FLEX

Kód produktu: 
4014486021875
Dostupnost:
Na dotaz
3 558 Kč
2 941 Kč bez DPH