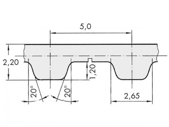
Řemen ozubený 32 T5 / 1500 AFX optibelt ALPHA FLEX

Řemen ozubený 32 T5 / 1500 AFX optibelt ALPHA FLEX

Kód produktu: 
4014486021813
Dostupnost:
Na dotaz
3 487 Kč
2 881 Kč bez DPH