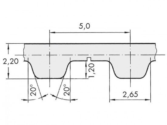
Řemen ozubený 32 T5 / 1400 AFX optibelt ALPHA FLEX

Řemen ozubený 32 T5 / 1400 AFX optibelt ALPHA FLEX

Kód produktu: 
4014486832891
Dostupnost:
Na dotaz
3 341 Kč
2 761 Kč bez DPH