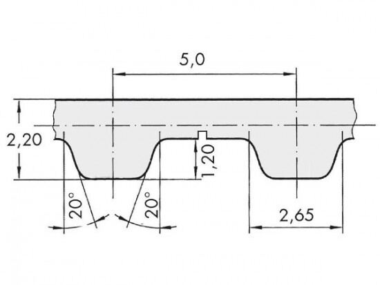
Řemen ozubený 32 T5 / 1300 AFX optibelt ALPHA FLEX

Řemen ozubený 32 T5 / 1300 AFX optibelt ALPHA FLEX

Kód produktu: 
4014486832839
Dostupnost:
Na dotaz
3 273 Kč
2 705 Kč bez DPH