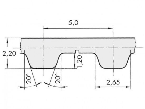
Řemen ozubený 32 T5 / 1200 AFX optibelt ALPHA FLEX

Řemen ozubený 32 T5 / 1200 AFX optibelt ALPHA FLEX

Kód produktu: 
4014486832778
Dostupnost:
Na dotaz
3 177 Kč
2 626 Kč bez DPH