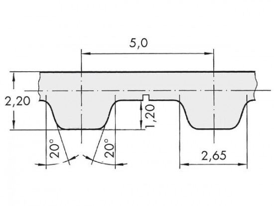
Řemen ozubený 32 T5 / 11800 AFX optibelt ALPHA FLEX

Řemen ozubený 32 T5 / 11800 AFX optibelt ALPHA FLEX

Kód produktu: 
4044978603005
Dostupnost:
Na dotaz
25 695 Kč
21 236 Kč bez DPH