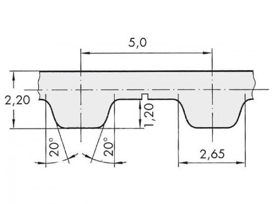
Řemen ozubený 32 T5 / 11600 AFX optibelt ALPHA FLEX

Řemen ozubený 32 T5 / 11600 AFX optibelt ALPHA FLEX

Kód produktu: 
4044978610157
Dostupnost:
Na dotaz
25 329 Kč
20 933 Kč bez DPH