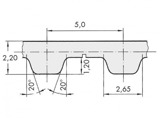
Řemen ozubený 32 T5 / 11000 AFX optibelt ALPHA FLEX

Řemen ozubený 32 T5 / 11000 AFX optibelt ALPHA FLEX

Kód produktu: 
4044978602916
Dostupnost:
Na dotaz
23 973 Kč
19 812 Kč bez DPH