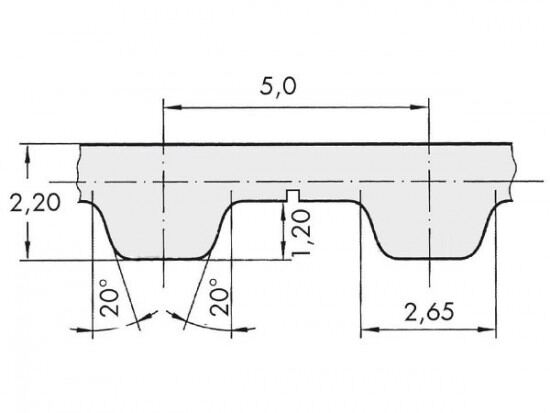
Řemen ozubený 32 T5 / 1100 AFX optibelt ALPHA FLEX

Řemen ozubený 32 T5 / 1100 AFX optibelt ALPHA FLEX

Kód produktu: 
4014486832716
Dostupnost:
Na dotaz
3 054 Kč
2 524 Kč bez DPH