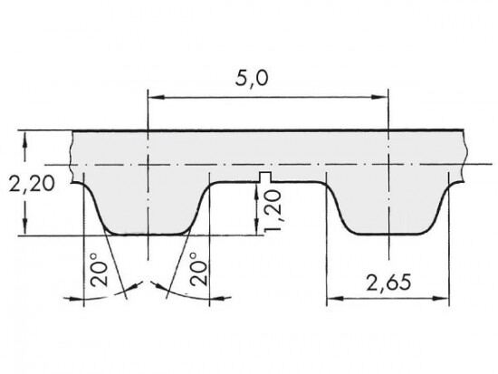
Řemen ozubený 32 T5 / 10800 AFX optibelt ALPHA FLEX

Řemen ozubený 32 T5 / 10800 AFX optibelt ALPHA FLEX

Kód produktu: 
4044978604224
Dostupnost:
Na dotaz
23 537 Kč
19 452 Kč bez DPH