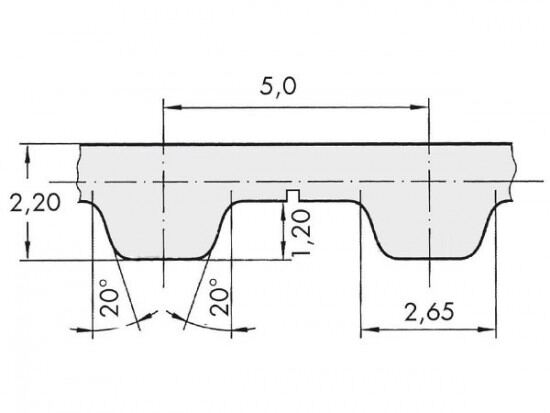
Řemen ozubený 32 T5 / 10600 AFX optibelt ALPHA FLEX

Řemen ozubený 32 T5 / 10600 AFX optibelt ALPHA FLEX

Kód produktu: 
4044978607447
Dostupnost:
Na dotaz
23 097 Kč
19 088 Kč bez DPH