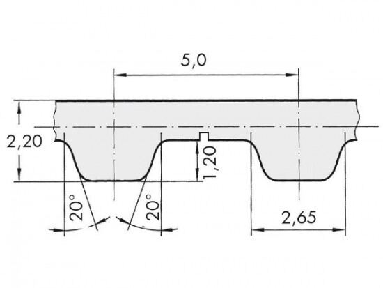
Řemen ozubený 32 T5 / 10000 AFX optibelt ALPHA FLEX

Řemen ozubený 32 T5 / 10000 AFX optibelt ALPHA FLEX

Kód produktu: 
4044978603272
Dostupnost:
Na dotaz
21 766 Kč
17 988 Kč bez DPH