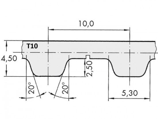
Řemen ozubený 32 T10 / 9600 AFX optibelt ALPHA FLEX

Řemen ozubený 32 T10 / 9600 AFX optibelt ALPHA FLEX

Kód produktu: 
4044978613912
Dostupnost:
Na dotaz
23 260 Kč
19 223 Kč bez DPH