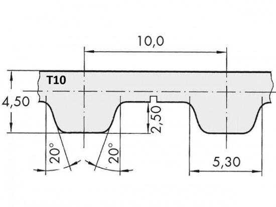
Řemen ozubený 32 T10 / 8400 AFX optibelt ALPHA FLEX

Řemen ozubený 32 T10 / 8400 AFX optibelt ALPHA FLEX

Kód produktu: 
4044978601704
Dostupnost:
Na dotaz
20 387 Kč
16 848 Kč bez DPH