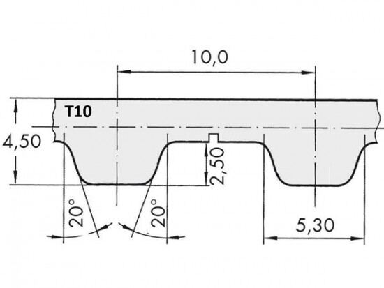
Řemen ozubený 32 T10 / 6400 AFX optibelt ALPHA FLEX

Řemen ozubený 32 T10 / 6400 AFX optibelt ALPHA FLEX

Kód produktu: 
4014486090505
Dostupnost:
Na dotaz
15 560 Kč
12 860 Kč bez DPH