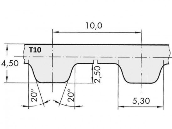
Řemen ozubený 32 T10 / 6000 AFX optibelt ALPHA FLEX

Řemen ozubený 32 T10 / 6000 AFX optibelt ALPHA FLEX

Kód produktu: 
4014486090383
Dostupnost:
Na dotaz
14 616 Kč
12 079 Kč bez DPH