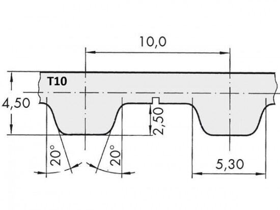
Řemen ozubený 32 T10 / 4600 AFX optibelt ALPHA FLEX

Řemen ozubený 32 T10 / 4600 AFX optibelt ALPHA FLEX

Kód produktu: 
4014486089967
Dostupnost:
Na dotaz
11 216 Kč
9 269 Kč bez DPH