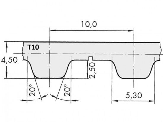
Řemen ozubený 32 T10 / 4400 AFX optibelt ALPHA FLEX

Řemen ozubený 32 T10 / 4400 AFX optibelt ALPHA FLEX

Kód produktu: 
4014486089905
Dostupnost:
Na dotaz
10 756 Kč
8 890 Kč bez DPH