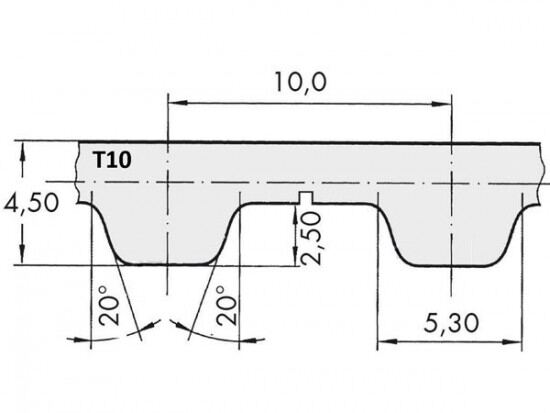
Řemen ozubený 32 T10 / 4200 AFX optibelt ALPHA FLEX

Řemen ozubený 32 T10 / 4200 AFX optibelt ALPHA FLEX

Kód produktu: 
4014486089844
Dostupnost:
Na dotaz
10 275 Kč
8 492 Kč bez DPH