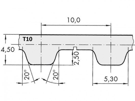
Řemen ozubený 32 T10 / 3600 AFX optibelt ALPHA FLEX

Řemen ozubený 32 T10 / 3600 AFX optibelt ALPHA FLEX

Kód produktu: 
4014486089660
Dostupnost:
Na dotaz
8 849 Kč
7 313 Kč bez DPH