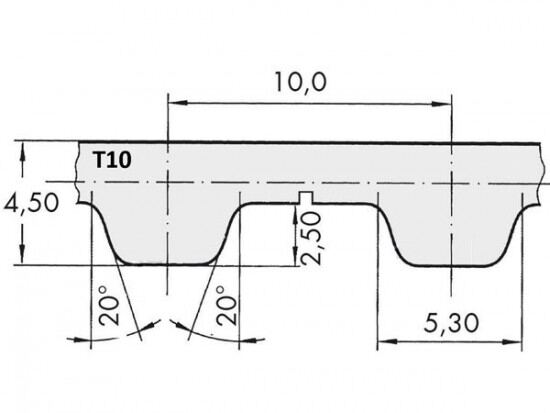
Řemen ozubený 32 T10 / 3000 AFX optibelt ALPHA FLEX

Řemen ozubený 32 T10 / 3000 AFX optibelt ALPHA FLEX

Kód produktu: 
4014486089486
Dostupnost:
Na dotaz
7 218 Kč
5 965 Kč bez DPH