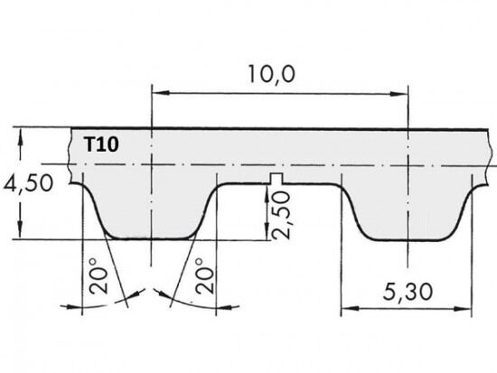
Řemen ozubený 32 T10 / 2900 AFX optibelt ALPHA FLEX

Řemen ozubený 32 T10 / 2900 AFX optibelt ALPHA FLEX

Kód produktu: 
4014486089424
Dostupnost:
Na dotaz
6 916 Kč
5 716 Kč bez DPH