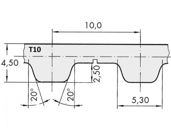
Řemen ozubený 32 T10 / 2000 AFX optibelt ALPHA FLEX

Řemen ozubený 32 T10 / 2000 AFX optibelt ALPHA FLEX

Kód produktu: 
4014486088809
Dostupnost:
Na dotaz
4 781 Kč
3 951 Kč bez DPH