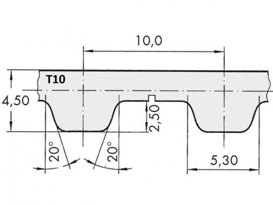
Řemen ozubený 32 T10 / 11400 AFX optibelt ALPHA FLEX

Řemen ozubený 32 T10 / 11400 AFX optibelt ALPHA FLEX

Kód produktu: 
4044978615534
Dostupnost:
Na dotaz
27 580 Kč
22 793 Kč bez DPH