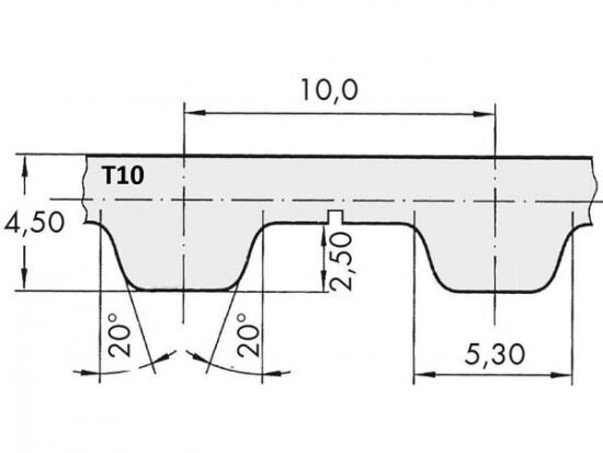
Řemen ozubený 32 T10 / 11000 AFX optibelt ALPHA FLEX

Řemen ozubený 32 T10 / 11000 AFX optibelt ALPHA FLEX

Kód produktu: 
4044978615213
Dostupnost:
Na dotaz
26 592 Kč
21 977 Kč bez DPH