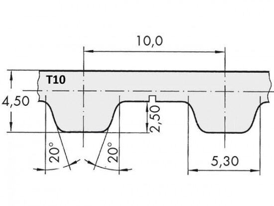
Řemen ozubený 32 T10 / 10800 AFX optibelt ALPHA FLEX

Řemen ozubený 32 T10 / 10800 AFX optibelt ALPHA FLEX

Kód produktu: 
4044978614100
Dostupnost:
Na dotaz
26 131 Kč
21 596 Kč bez DPH