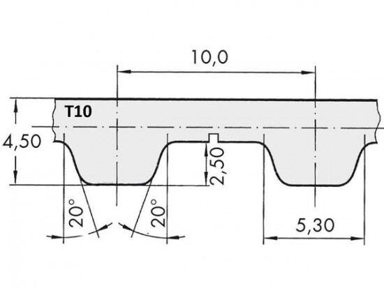
Řemen ozubený 32 T10 / 10600 AFX optibelt ALPHA FLEX

Řemen ozubený 32 T10 / 10600 AFX optibelt ALPHA FLEX

Kód produktu: 
4044978603029
Dostupnost:
Na dotaz
25 649 Kč
21 198 Kč bez DPH