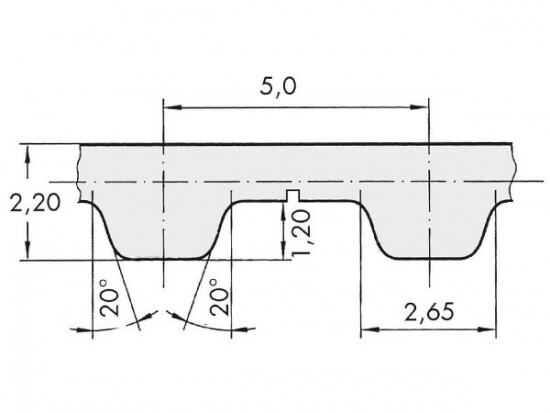
Řemen ozubený 25 T5 / 9800 AFX optibelt ALPHA FLEX

Řemen ozubený 25 T5 / 9800 AFX optibelt ALPHA FLEX

Kód produktu: 
4044978602473
Dostupnost:
Na dotaz
15 490 Kč
12 802 Kč bez DPH