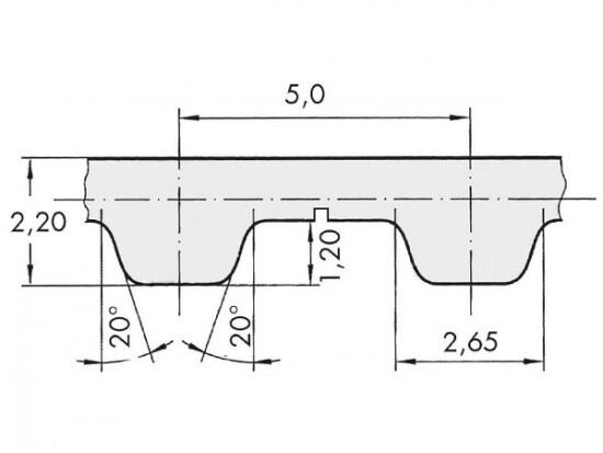
Řemen ozubený 25 T5 / 9200 AFX optibelt ALPHA FLEX

Řemen ozubený 25 T5 / 9200 AFX optibelt ALPHA FLEX

Kód produktu: 
4044978616838
Dostupnost:
Na dotaz
14 616 Kč
12 079 Kč bez DPH