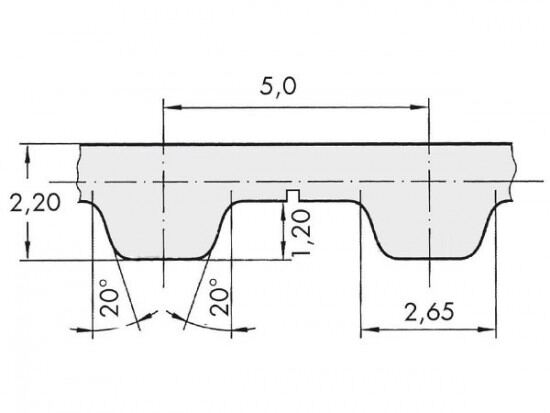
Řemen ozubený 25 T5 / 8200 AFX optibelt ALPHA FLEX

Řemen ozubený 25 T5 / 8200 AFX optibelt ALPHA FLEX

Kód produktu: 
4044978606907
Dostupnost:
Na dotaz
13 146 Kč
10 865 Kč bez DPH