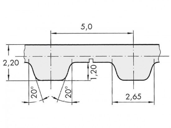
Řemen ozubený 25 T5 / 8000 AFX optibelt ALPHA FLEX

Řemen ozubený 25 T5 / 8000 AFX optibelt ALPHA FLEX

Kód produktu: 
4044978619891
Dostupnost:
Na dotaz
12 869 Kč
10 636 Kč bez DPH