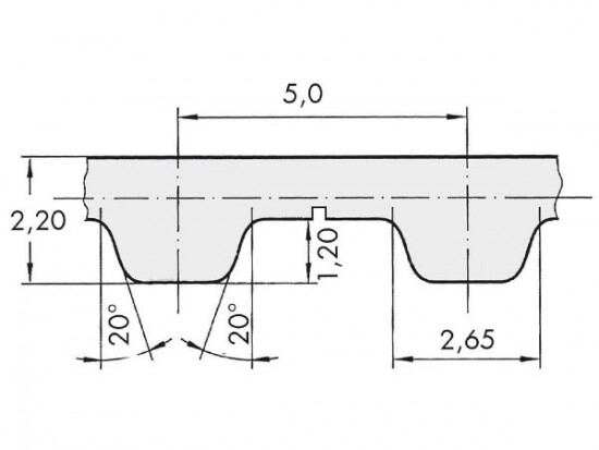
Řemen ozubený 25 T5 / 7800 AFX optibelt ALPHA FLEX

Řemen ozubený 25 T5 / 7800 AFX optibelt ALPHA FLEX

Kód produktu: 
4044978618795
Dostupnost:
Na dotaz
12 619 Kč
10 429 Kč bez DPH