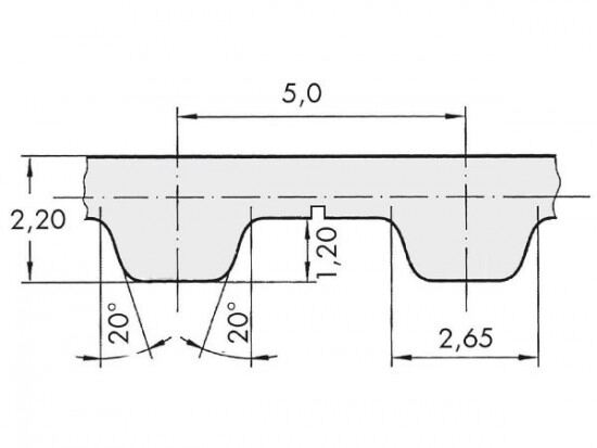
Řemen ozubený 25 T5 / 7600 AFX optibelt ALPHA FLEX

Řemen ozubený 25 T5 / 7600 AFX optibelt ALPHA FLEX

Kód produktu: 
4044978613141
Dostupnost:
Na dotaz
12 342 Kč
10 200 Kč bez DPH