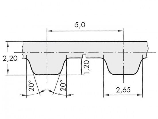
Řemen ozubený 25 T5 / 7400 AFX optibelt ALPHA FLEX

Řemen ozubený 25 T5 / 7400 AFX optibelt ALPHA FLEX

Kód produktu: 
4044978618511
Dostupnost:
Na dotaz
12 044 Kč
9 954 Kč bez DPH