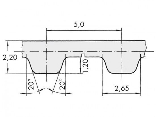
Řemen ozubený 25 T5 / 7000 AFX optibelt ALPHA FLEX

Řemen ozubený 25 T5 / 7000 AFX optibelt ALPHA FLEX

Kód produktu: 
4044978590893
Dostupnost:
Na dotaz
11 470 Kč
9 479 Kč bez DPH