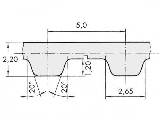
Řemen ozubený 25 T5 / 6800 AFX optibelt ALPHA FLEX

Řemen ozubený 25 T5 / 6800 AFX optibelt ALPHA FLEX

Kód produktu: 
4044978584915
Dostupnost:
Na dotaz
11 145 Kč
9 211 Kč bez DPH