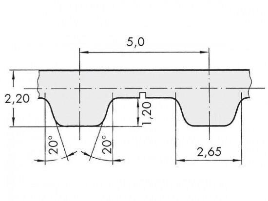
Řemen ozubený 25 T5 / 6600 AFX optibelt ALPHA FLEX

Řemen ozubený 25 T5 / 6600 AFX optibelt ALPHA FLEX

Kód produktu: 
4044978590152
Dostupnost:
Na dotaz
10 848 Kč
8 965 Kč bez DPH