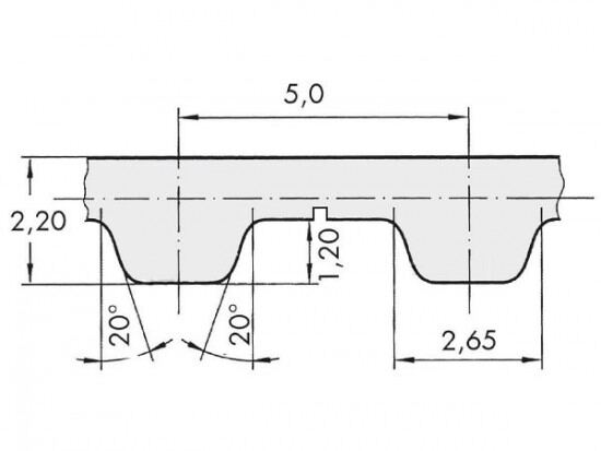
Řemen ozubený 25 T5 / 6400 AFX optibelt ALPHA FLEX

Řemen ozubený 25 T5 / 6400 AFX optibelt ALPHA FLEX

Kód produktu: 
4044978592583
Dostupnost:
Na dotaz
10 573 Kč
8 738 Kč bez DPH