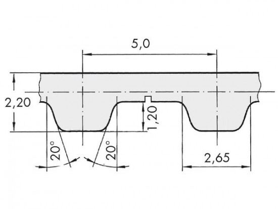
Řemen ozubený 25 T5 / 6000 AFX optibelt ALPHA FLEX

Řemen ozubený 25 T5 / 6000 AFX optibelt ALPHA FLEX

Kód produktu: 
4014486023602
Dostupnost:
Na dotaz
9 974 Kč
8 243 Kč bez DPH