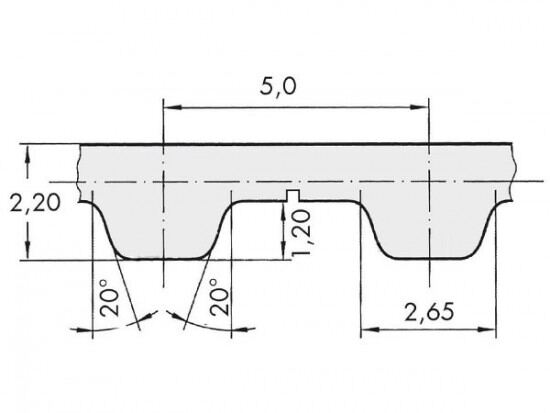
Řemen ozubený 25 T5 / 5800 AFX optibelt ALPHA FLEX

Řemen ozubený 25 T5 / 5800 AFX optibelt ALPHA FLEX

Kód produktu: 
4044978586315
Dostupnost:
Na dotaz
9 653 Kč
7 977 Kč bez DPH