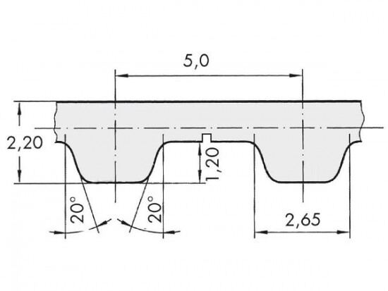
Řemen ozubený 25 T5 / 4600 AFX optibelt ALPHA FLEX

Řemen ozubený 25 T5 / 4600 AFX optibelt ALPHA FLEX

Kód produktu: 
4044978590565
Dostupnost:
Na dotaz
7 654 Kč
6 326 Kč bez DPH