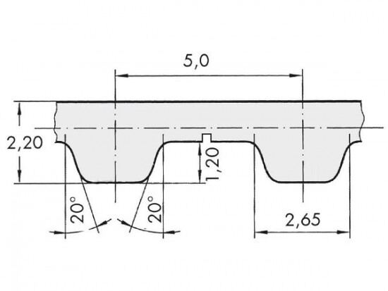
Řemen ozubený 25 T5 / 4400 AFX optibelt ALPHA FLEX

Řemen ozubený 25 T5 / 4400 AFX optibelt ALPHA FLEX

Kód produktu: 
4044978597953
Dostupnost:
Na dotaz
7 309 Kč
6 041 Kč bez DPH