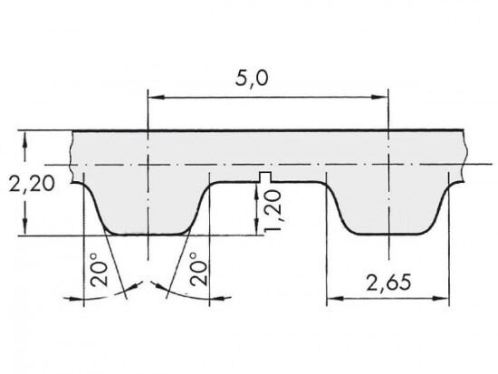
Řemen ozubený 25 T5 / 4200 AFX optibelt ALPHA FLEX

Řemen ozubený 25 T5 / 4200 AFX optibelt ALPHA FLEX

Kód produktu: 
4044978587787
Dostupnost:
Na dotaz
7 032 Kč
5 812 Kč bez DPH