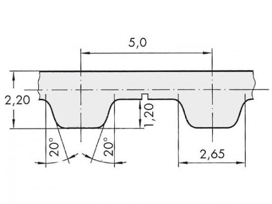
Řemen ozubený 25 T5 / 3800 AFX optibelt ALPHA FLEX

Řemen ozubený 25 T5 / 3800 AFX optibelt ALPHA FLEX

Kód produktu: 
4044978586223
Dostupnost:
Na dotaz
6 366 Kč
5 261 Kč bez DPH