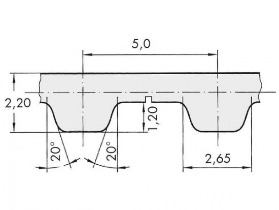
Řemen ozubený 25 T5 / 3400 AFX optibelt ALPHA FLEX

Řemen ozubený 25 T5 / 3400 AFX optibelt ALPHA FLEX

Kód produktu: 
4044978585066
Dostupnost:
Na dotaz
5 494 Kč
4 541 Kč bez DPH