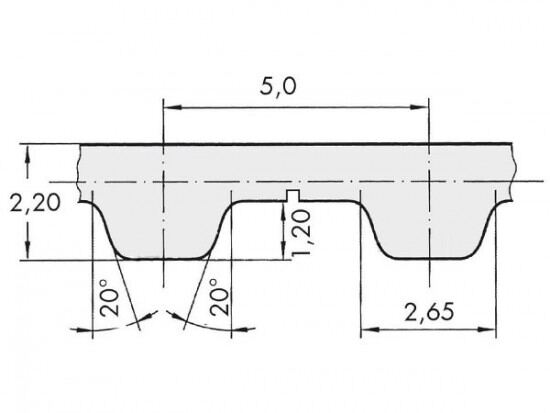
Řemen ozubený 25 T5 / 3200 AFX optibelt ALPHA FLEX

Řemen ozubený 25 T5 / 3200 AFX optibelt ALPHA FLEX

Kód produktu: 
4014486022766
Dostupnost:
Na dotaz
5 195 Kč
4 293 Kč bez DPH