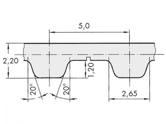
Řemen ozubený 25 T5 / 2900 AFX optibelt ALPHA FLEX

Řemen ozubený 25 T5 / 2900 AFX optibelt ALPHA FLEX

Kód produktu: 
4014486022643
Dostupnost:
Na dotaz
4 735 Kč
3 914 Kč bez DPH