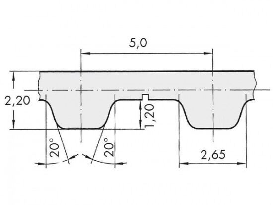
Řemen ozubený 25 T5 / 2800 AFX optibelt ALPHA FLEX

Řemen ozubený 25 T5 / 2800 AFX optibelt ALPHA FLEX

Kód produktu: 
4014486022582
Dostupnost:
Na dotaz
4 595 Kč
3 798 Kč bez DPH