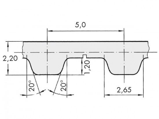
Řemen ozubený 25 T5 / 2000 AFX optibelt ALPHA FLEX

Řemen ozubený 25 T5 / 2000 AFX optibelt ALPHA FLEX

Kód produktu: 
4014486022100
Dostupnost:
Na dotaz
3 241 Kč
2 678 Kč bez DPH