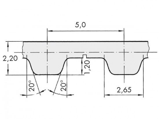
Řemen ozubený 25 T5 / 1900 AFX optibelt ALPHA FLEX

Řemen ozubený 25 T5 / 1900 AFX optibelt ALPHA FLEX

Kód produktu: 
4014486022049
Dostupnost:
Na dotaz
3 103 Kč
2 564 Kč bez DPH